Kablo anakartta herhangi bir pine takılabilir mi?

berat3636

Kilopat
Katılım
14 Haziran 2021
Mesajlar
7.027
Çözümler
15
Yer
kars
Daha fazla  
Cinsiyet
Erkek
Meslek
Öğrenci
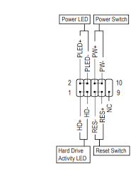
Şimdi elimde kasadan çıkan aşağıdaki fotoğraftaki gibi kablolar var.



Görsele tıklayarak fotoğrafa daha net bakabilirsiniz.
(-) Ve (+) birleşik değil ayrı olan kabloları sırayla bağlamamız gerekiyor onu biliyorum. Ama onun dışındakiler? Rastgele bağlasak olur mu? Mesela aşağıdaki fotoğrafta Power kablosunu 3 ve 4 yerine 7 ve 8. pinlere bağlasak olur mu? Yoksa illa anakartta gösterdiği şekildeki gibi mi olacak? B450M S2H. Kasa: Trendyol'daki 4 Rainbow fanlı Gametech 475 TL'lik mesh kasa.

 
Artı ve eksi olanlar için yön önemli.
 
2 pin tek kabloda olunca önce hangisini takacağım? Yani pin 1 tarafına - mi + mı gelecek?
2 pin tek kabloda olunca önce hangisini takacağım? Yani pin 1 tarafına - mi + mı gelecek?

Pardon hocam fotoğrafta varmış.
 
Ankartta + olan yere kabloda da + simge olanı takacaksiniz.
 
Bu siteyi kullanmak için çerezler gereklidir. Siteyi kullanmaya devam etmek için çerezleri kabul etmelisiniz. Daha Fazlasını Öğren.…