CPU soğutucu montajı nasıl yapılır?

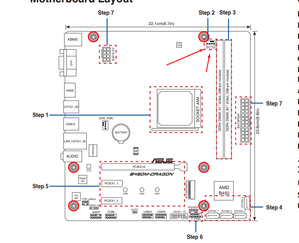
Kule tipi soğutucunun güç kablosunu kırmızı okla gösterdiğim yere takacaksın.
RGB için anakartınızda doğrudan bağlantı noktası yok o elindeki kabloya ara aparart takıp doğrudan PSU'dan güç alacaksın fakat bu yöntemle bilgisayarından RGB'yi kontrol edemeyeceksin.
Eki Görüntüle 1602568
spfıf_on var orda 3pin yuvalı oraya taksam çalışır mı
 
Kule tipi soğutucan çıkan 2 kabloyu da çekip atarsan sana hangisini nereye takacağını doğrudan söyleyebilirim.
soğutucuya bağlı olarak bir tek bu attığım kablo var onun dışında fan için 3pin5v argb fanı sataya takan bi kablo çıktı o fan için birde şöyle 3pin dişiyi 3pin erkeğe çeviren bi çoğaltıcı kablo gibi birşey var

soğutucuya bağlı olarak bir tek bu attığım kablo var onun dışında fan için 3pin5v argb fanı sataya takan bi kablo çıktı o fan için birde şöyle 3pin dişiyi 3pin erkeğe çeviren bi çoğaltıcı kablo gibi birşey var
 

Dosya Ekleri

  • image.jpg
    image.jpg
    123 KB · Görüntüleme: 29
  • image.jpg
    image.jpg
    120,9 KB · Görüntüleme: 34
abiler sanırım buldum ben bu sata bağlantısını takıp çoğaltıcıyı hem soğutucunun 3pinlik bağlantısını hemde fanın 3 pinlik bağlantısını taksam olur mu şu şekilde yani
 

Dosya Ekleri

  • image.jpg
    image.jpg
    143,5 KB · Görüntüleme: 33
  1. Kule tipi soğutunun fanından veya kendisinden bir güç kablosu çıkacak bunu okla gösterdiğim yere (CPU_Fan) kısmına takacaksın.
  2. Elinde tuttuğun 3 girişi olan ARGB kablo doğrudan anakarttan RGB kontorlünü sağlar (spfif_on) a takıp dene fakat o portun Voltajı olmadığı için RGB'ler yanmaya bilir o zaman yapman gereken dediğin gibi bunu sataya çeviren erkek girişle dişiyi birleştirip PSU'dan doğrudan RGB'ye güç vermen gerek.
 
Tamam senin soğutucunda bu kablo soğutucuyu ışıklandırmak için olan argb kablosu eğer bunu takmazsan sadece ışıkları yanmaz bu kadar
yok reyiz anlatmak istediğim soğutucu bloktan 3pin bağlantı geliyor anakarttaki cpu fan 4pin ben argb felan olmasada olur nasıl bağlantı yapcam onu bilmiyom

  1. Kule tipi soğutunun fanından veya kendisinden bir güç kablosu çıkacak bunu okla gösterdiğim yere (CPU_Fan) kısmına takacaksın.
  2. Elinde tuttuğun 3 girişi olan ARGB kablo doğrudan anakarttan RGB kontorlünü sağlar (spfif_on) a takıp dene fakat o portun Voltajı olmadığı için RGB'ler yanmaya bilir o zaman yapman gereken dediğin gibi bunu sataya çeviren erkek girişle dişiyi birleştirip PSU'dan doğrudan RGB'ye güç vermen gerek.
kral çok doğru anladım biliyorum zaten öyle olduğunu benim sorum kuleden gelen kablo 3pin anakarttaki cpu fan 4pin
 
abiler sanırım buldum ben bu sata bağlantısını takıp çoğaltıcıyı hem soğutucunun 3pinlik bağlantısını hemde fanın 3 pinlik bağlantısını taksam olur mu şu şekilde yani
bu dediğim mantıklı geldi mi size çünkü kutudan çıkanlar buna zorluyor

kardeşim öncelikle elinde tuttuğun kabloyu unut aklından sil öyle bir kablo yokmuş gibi davran ve geriye kalan kabloları uygun olan yerlere tak yeter
heh aynen öyle yaptım bende aldığım yer fanın gücünü satadan aldığını üstünde kumandası olduğunu söylemişti şimdi arkadaş blokta da rgb var diyince aklıma geldi galiba sataya taktığım kablonun devamında 4 adet 3pin çoğaltıcı var onların birine fanı birine soğutucu bloğun kablosunu taksam çalışır sanırım bence bu mantıkla yapmışlar böyle bir şeyi siz ne diyosunuz

bu dediğim mantıklı geldi mi size çünkü kutudan çıkanlar buna zorluyor


heh aynen öyle yaptım bende aldığım yer fanın gücünü satadan aldığını üstünde kumandası olduğunu söylemişti şimdi arkadaş blokta da rgb var diyince aklıma geldi galiba sataya taktığım kablonun devamında 4 adet 3pin çoğaltıcı var onların birine fanı birine soğutucu bloğun kablosunu taksam çalışır sanırım bence bu mantıkla yapmışlar böyle bir şeyi siz ne diyosunuz
güç yetersizliği gibi bişey söz konusu olabilir mi tek korkum o
 

Bu konuyu görüntüleyen kullanıcılar

Technopat Haberler

Yeni konular

Geri
Yukarı