Power kablosu nereye takılır?

Güner Mutlu

Hectopat
Katılım
4 Mart 2017
Mesajlar
27
Daha fazla  
Cinsiyet
Erkek
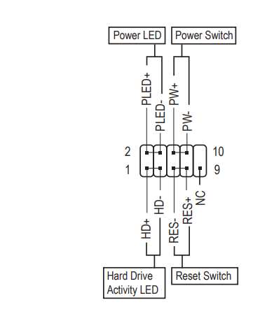
Merhabalar, anakartımda Power kablolarının yerlerini bulamıyorum, yardımcı olur musunuz?
IMG-20210319-WA0009.jpeg
 
Herkesten özür dilerim kendimi tam açıklayamamışım demek istediğim SW girişleri fotoğraf tam net değil internetten bunu bulabildim kusura bakmayın.
Switch soruyorsan daha net bir fotoğraf atman gerekiyor.

Kasaya taktığım için elimden bu geldi görebiliyor musunuz?
 

Dosya Ekleri

  • IMG_20210319_202638.jpg
    IMG_20210319_202638.jpg
    203,1 KB · Görüntüleme: 48
  • IMG_20210319_204730.jpg
    IMG_20210319_204730.jpg
    428,1 KB · Görüntüleme: 41
  • IMG_20210319_204722.jpg
    IMG_20210319_204722.jpg
    380,8 KB · Görüntüleme: 42
Emin değiliz. Anakarta göre değişebilir. Fotoğraf atma imkanın var mı? Kabloları düzgün taktığına eminsin dimi, bir de parçaların uyumundan eminsin di
 

Dosya Ekleri

  • 16161772500484608337588916768917.jpg
    16161772500484608337588916768917.jpg
    246,4 KB · Görüntüleme: 52
  • 16161772809732491054641377205867.jpg
    16161772809732491054641377205867.jpg
    245,9 KB · Görüntüleme: 39
Uyarı! Bu konu 5 yıl önce açıldı.
Muhtemelen daha fazla tartışma gerekli değildir ki bu durumda yeni bir konu başlatmayı öneririz. Eğer yine de cevabınızın gerekli olduğunu düşünüyorsanız buna rağmen cevap verebilirsiniz.

Technopat Haberler

Geri
Yukarı