AMD wraith prism RGB montajı

Screenshot_2019-11-27-23-59-53-220_com.android.chrome.jpg

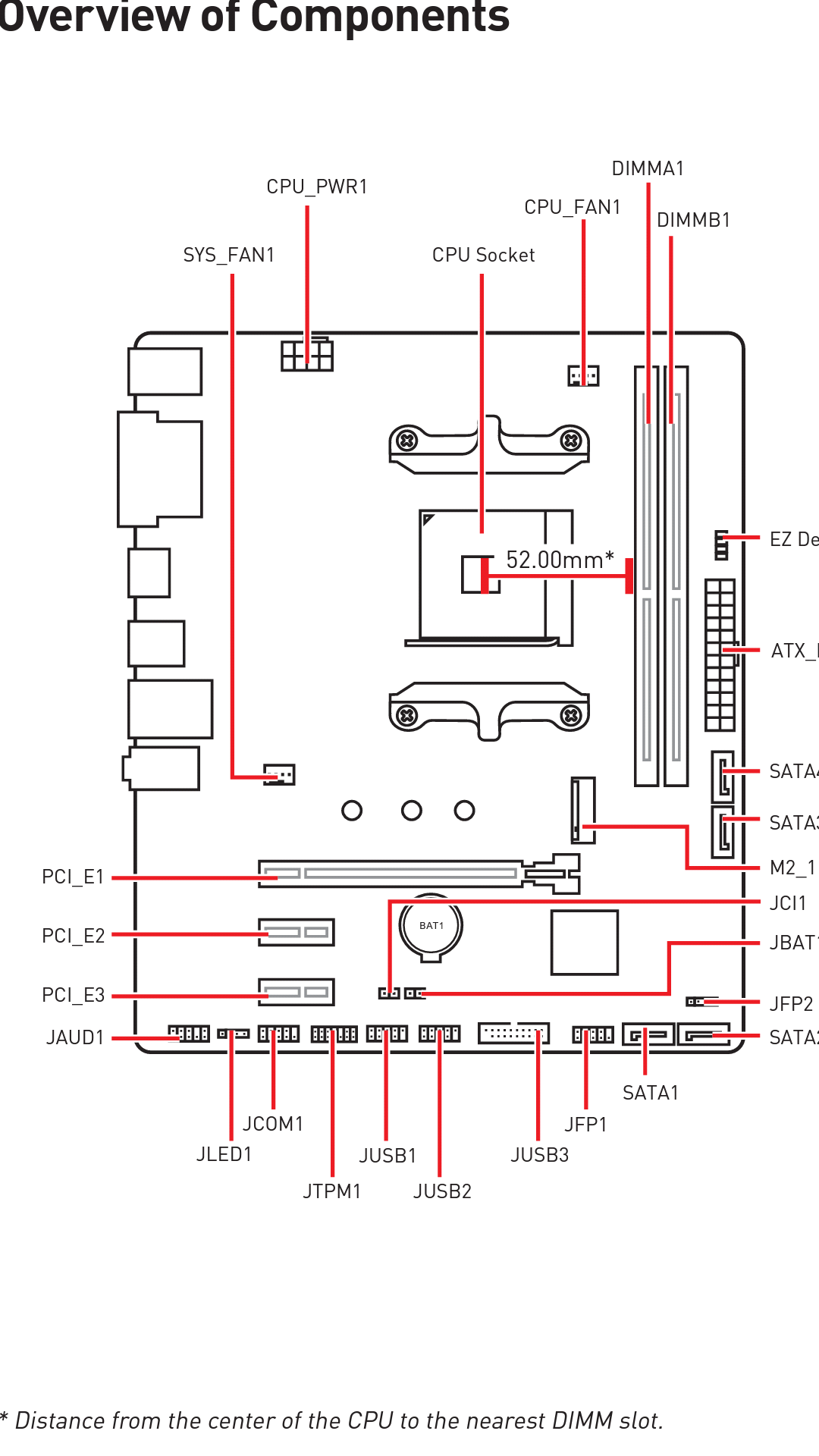
Sol en alttaki kısım.
Eğer AMD yazısını da kontrol etmek istiyorsan. En alt ortadaki usb girisine takman gerekiyor ve wraith prism uygulamasını indirmen gerekir.
 
Eki Görüntüle 465441
Sol alttaki JLED1 bağlantısına bağlamalısınız.

Veya anakartla senkronize olması çok önemli değil, tam kontrol elde edeyim diyorsanız JUSB1 veya JUSB2 ye işlemci yanında gelen USB kablosu ile bağlamalısınız.
Dostum uğraştığın için çok teşekkür ederim ellerine sağlık tekrardan sağolasın .
 
Uyarı! Bu konu 6 yıl önce açıldı.
Muhtemelen daha fazla tartışma gerekli değildir ki bu durumda yeni bir konu başlatmayı öneririz. Eğer yine de cevabınızın gerekli olduğunu düşünüyorsanız buna rağmen cevap verebilirsiniz.

Bu konuyu görüntüleyen kullanıcılar

Technopat Haberler

Yeni konular

Geri
Yukarı